Support Megasquirt, Tech Edge WBO2, Tuner Pro, AutoSport Labs et Fenixecu 

  • Présentation + Choix du Calculateur et des Modules

  • Assemblage de votre système d'injection MegaSquirt, modification matérielle pour le support de nouvelles fonctions ou périphériques ? C'est ici !
Assemblage de votre système d'injection MegaSquirt, modification matérielle pour le support de nouvelles fonctions ou périphériques ? C'est ici !
 #8642  par Armor
 27 juin 2019 19:35
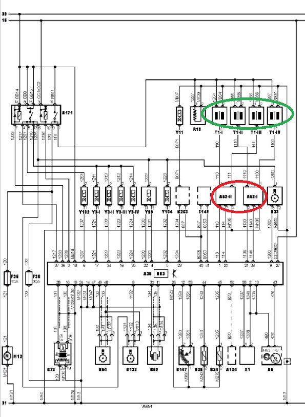
Bon, en cherchant dans AutoData, j'ai finalement trouver le schéma de câblage du MP3.2,
En rouge, les 2 modules d'allumage,
En vert, les 4 bobines,

Donc, branchement de la borne 2 des bobines, directement sur la masse moteur !
Ce qui me dérangeais, c'est que sur les schéma de la notice du Megasquirt, il n'y avait pas de sortie de masse sur les bobines, et que sur la majeur partie de schéma sur internet, la masse du secondaires de la bobine est prise sur la commande de mise à la masse du calculateur...
Fichiers joints
Cablage MP3.2 306 S16.jpg
Cablage MP3.2 306 S16.jpg (157.79 Kio) Vu 6181 fois
 #8643  par Manu
 27 juin 2019 21:46
Salut,

C'est un peu la même chose sur les bobines BMW ;-)

++
Manu
 #8655  par Armor
 01 juil. 2019 19:57
Ok =)

J'ai une autre question concernant le câblage, dans la notice ( screen en PJ ) il est dit pour un montage en bobine simple, que le courant est générateur de bruit et qu'il fallait les éloigner au maximum des autres câbles capteurs, etc ...

Mais étant donné que ces mêmes câbles viennent de la broche calculateur, on est foutu d'entrée d'jeu ! On est tout le faisceau qui arrive à cet endroit ! Ou alors j'ai un mauvais raisonnement ?
Si vous pouviez m'éclairer ? Ou me dire de quelle manière vous passez vos câbles pour ne pas être embêté par ce parasitage

Cordialement

Merci
Fichiers joints
Cablage Bobine.jpg
Cablage Bobine.jpg (149.74 Kio) Vu 6173 fois
 #8656  par Manu
 01 juil. 2019 21:03
On essaie de faire deux faisceaux, un pour les capteurs, et un pour les actuateurs.
Mais en général un faisceau fonctionne aussi. Le gros problème récurent est le fil du capteur PMH. C'est surtout à celui-la qu'on apporte de l'attention.

Et les plus gros perturbateurs sont le démarreur et parfois l'alternateur. Donc on évite de faire passer le faisceau moteur à proximité des câbles de puissance qui vont de la batterie au démarreur et à l'alternateur.

++
Manu
 #8664  par Armor
 02 juil. 2019 19:33
ok, d'ou le capteur PMH sur 18 voies et sorties allumage sur 30 voies..
D'accord mais il n'y aurait pas moyen de réduire les bruits de ces câbles ? J'ai plus ou moins compris ( avec mon anglais approximatif ) que certains torsadaient les fils de commandes d'allumage pour réduire ces bruits, c'est quelque chose qui fonctionne ?
Ou l'autre option : mettre des fils de bougies, avec l'anti-parasite relié à la masse,

Parce que sur mon montage, le démarreur et l'alternateur ne vont pas poser de problème, mais la commande des bobines va suivre mon faisceau de capteur, et notamment le PMH, et sur le prochain moteur, la bobine 1 est à même pas 100mm du capteur de phase.

C'est soit ça, soit les fils d'allumages passent à 100mm au dessus de mon collecteur...
 #8666  par Manu
 02 juil. 2019 20:34
Câble au plus simple, et modifie si nécessaire ensuite. Ne te pose pas trop de questions à ce niveau. On peut donner tous les conseils du monde, au final seul le résultat compte.
 #8671  par Manu
 06 juil. 2019 17:40
L'idée de ma pensée précédente et qu'il faut, à un moment ou un autre, arrêter de conceptualiser et se lancer dans la réalisation. En effet, après des années d'expériences, je m'aperçois que quand on réfléchi trop longtemps on fini par compliquer, parfois inutilement, le projet. Donc à un moment il faut y aller ;-)
 #8680  par Armor
 08 juil. 2019 19:17
Oui, pas de soucis, c'est juste que j'avais envie de faire mon faisceau propre, gainé et tout, mais si jamais il y a des interférences, faudrait défaire la gaine et revoir le système...
Mais je vais procéder comme tu dis ! Ne pas le gainer tout de suite, juste la mise à longueur et voir si ça fonctionne correctement, et après je sortirai le faisceau pour le mettre au propre

Mais oui, on se pose pas mal de question avant de démarrer :D
 #10044  par Armor
 30 sept. 2022 18:38
maxresdefault.jpg
maxresdefault.jpg (134.78 Kio) Vu 4039 fois
Bonjour,

Bon, après avoir fini le faisceau... et finalement avoir revu complètement l'auto :roll: :roll:

Je démarre Tunerstudio et fais les premiers paramétrages, mais là je bute sur un truc, et je pense que j'ai dû mal paramétré une ligne =

Sur le "Test mode", j'ai testé mes injecteurs : OK, la pompe : OK, actuateur de ralenti : OK, mais pour les bobines, j'ai rien ... Je suis en bobines simples ( 1 par cylindre ), avec un calculateur "puissance" =

J'ai bien mon +12v ( en 1 ) quand je commande le relais de pompe, j'ai bien une continuité avec la masse ( en 2 ), pour la commande ECU je ne sais pas comment la testé ?

J'ai des bobines et bougies neuves, j'ai fais tous les panachages avec tous les connecteurs et toutes les bobines ....

Auriez-vous une idée du problème ? Un paramétrage foireux ? ou un moyen de contrôler la commande de l'ECU ?

Merci d'avance
Fichiers joints
1.jpg
1.jpg (12.3 Kio) Vu 4039 fois
1 - Bobine BAE700AK.jpg
1 - Bobine BAE700AK.jpg (101.87 Kio) Vu 4039 fois