Support Megasquirt, Tech Edge WBO2, Tuner Pro, AutoSport Labs et Fenixecu 

  • Présentation + Choix du Calculateur et des Modules

  • Assemblage de votre système d'injection MegaSquirt, modification matérielle pour le support de nouvelles fonctions ou périphériques ? C'est ici !
Assemblage de votre système d'injection MegaSquirt, modification matérielle pour le support de nouvelles fonctions ou périphériques ? C'est ici !
 #10046  par Manu
 30 sept. 2022 19:29
Bonsoir.

Avec le mode "test bobine", ça ne donne rien ?
 #10047  par Armor
 30 sept. 2022 20:07
Oui, dans l'onglet "test des sorties allumage / injecteurs", fenêtre "test allumage",

Et non, pas d'étincelle... Après, vu que je ne sais pas comment contrôler la sortie ECU sur la bobine, je suis un peu dans le fou...
 #10048  par Manu
 30 sept. 2022 20:47
Les sorties de votre calculateur sont des sorties "de puissance". Il faut donc, pour les contrôler, connecter une ampoule alimentée en +12V (ou 5V) dessus. L'activation de la sortie allumera l'ampoule.

Cordialement,
Manu
 #10049  par Armor
 30 sept. 2022 21:35
Ah bah j'avais vu une de tes réponses sur un autre poste, et c'est ce que j'ai fais.
J'ai mis 15ms en période et 3ms en dwell et ça n'a pas fonctionné mais je vais faire un montage plus consciencieusement demain matin.

Pour la période, c'est suffisamment haut pour pouvoir allumer l'ampoule ?
 #10050  par Armor
 01 oct. 2022 11:12
Bonjour,

Alors ce matin, j'ai fais un montage à peu près propre, mis une batterie qui a 12v :D

J'ai fais avec une ampoule 12v -55w, une 12v-5w, une DEL 5v et rien n'y fait, j'ai toujours rien en sortie, j'étais en "bobines crayons avec étincelle perdu" je suis passé en "bobines crayons", toujours rien...

Le problème doit venir d'un paramétrage, puisque tout le reste est bon, je vous mets mes paramètres TunerStudio et le câblage bobine utilisé.
Fichiers joints
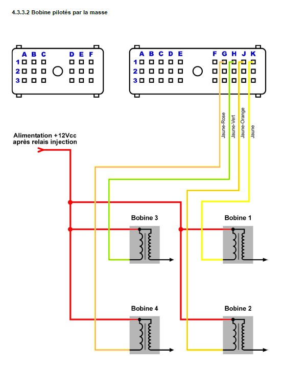
Cablage bobines.jpg
Cablage bobines.jpg (57.31 Kio) Vu 4893 fois
Paramètres allumage - cible moteur.jpg
Paramètres allumage - cible moteur.jpg (222.72 Kio) Vu 4893 fois
Paramètres moteur et injection.jpg
Paramètres moteur et injection.jpg (138.9 Kio) Vu 4893 fois
 #10051  par Armor
 01 oct. 2022 11:16
Et une autre chose, dans la notice il est indiqué le format que doit avoir le fichier définition du calculateur, et le mien est différent, il n'a pas le "F" avant le ".ini" ... J'avais pris le screen dans le doute quand j'avais commencé TunerStudio, mais maintenant qu'il y a un problème, je me dis que ça a peut-être son importance ?
Fichiers joints
MS3 Formatxxxx.xxF.ini.png
MS3 Formatxxxx.xxF.ini.png (29.79 Kio) Vu 4893 fois
Format MS3 - P64.jpg
Format MS3 - P64.jpg (17.14 Kio) Vu 4893 fois
 #10053  par Armor
 04 oct. 2022 10:43
Bonjour,

Autres infos : au tableau de bord, j'ai ajouté les indicateurs pour les sorties "INJA à D" et "SPKA à D".

- Quand je lance le test injecteurs, les indicateurs clignotent en rouge, et ceux-ci fonctionnent.
- Quand je lance le test bobines, les indicateurs A et B clignotent en rouge ( et ne fonctionnent pas ) tandis que les indicateurs C et D clignotent en vert ( mais ne fonctionnent pas non plus... )

Si ça peut aider au diagnostic ...
 #10055  par Manu
 05 oct. 2022 20:37
Bonsoir,

Vous faites tout comme il faut.

Cordialement,
Manu